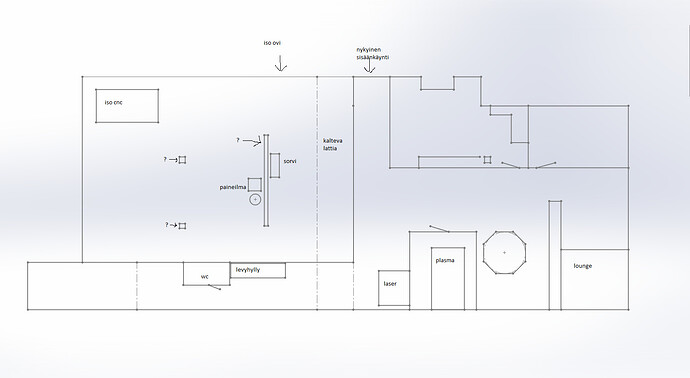
Tässä on karkeahko pohjakuva tiloista, uuden puolen mitat eivät ole vielä tarkalleen tiedossa (lähinnä tolppien ja väliseinän sijainnit epävarmoja). Olen jo jonkunverran siirrellyt isoimpia/äänekkäimpiä tavaroita kuvassa, mm iso cnc ja kompura. Ajatuksena tosiaan että saadaan meluavat jutut “uuden” puolen päätyyn, ja hiljaisempi työskentely “vanhan” puolen päätyyn.
Esittäkää ajatuksia, nyt voi vaikuttaa!
